520nm FP FP dé-óid Glas BTF Laser
  • 520nm FP FP dé-óid Glas BTF Laser 520nm FP FP dé-óid Glas BTF Laser
  • 520nm FP FP dé-óid Glas BTF Laser 520nm FP FP dé-óid Glas BTF Laser
  • 520nm FP FP dé-óid Glas BTF Laser 520nm FP FP dé-óid Glas BTF Laser
  • 520nm FP FP dé-óid Glas BTF Laser 520nm FP FP dé-óid Glas BTF Laser

520nm FP FP dé-óid Glas BTF Laser

520nm FP Fiber Coupled Diode Green Glacann BTF Laser struchtúr dé-óid 14 PIN, agus féadann sé oibriú go cobhsaí i mód tonn leanúnach (CW). Is gléas léasair ardfheidhmíochta é le cumhacht aschurtha 30mW. Tá sé oiriúnach le haghaidh ionstraim optúla agus foinse solais.

Seol Fiosrúchán

Cur síos ar an Táirge

520nm FP Fiber Coupled Diode Green Glacann BTF Laser struchtúr dé-óid 14 PIN, agus féadann sé oibriú go cobhsaí i mód tonn leanúnach (CW). Is gléas léasair ardfheidhmíochta é le cumhacht aschurtha 30mW. Tá sé oiriúnach le haghaidh ionstraim optúla agus foinse solais.


Gnéithe de 520nm FP Fiber Coupled Diode Green BTF Laser

Pacáiste Féileacán 14PIN;

teirmeastar ionsuite agus TEC;

Is féidir le cineál snáithín a bheith SM-460HP nó PM-S460-HP snáithín;

Teocht oibriúcháin: -10 ~ + 60 ℃.


Feidhmchláir 520nm FP Fiber Coupled Diode Green BTF Laser

Ionstraim optúil;

Foinse solais.


Saintréithe Leictrioptúla (T=25 ℃):

Paraiméadar Siombail Coinníoll Min. Clóscríobh. uas. Aonad
Ionad tonnfhad λc CW, 25 ℃ 515 520 530 nm
Cumhacht aschuir optúil PF - 30 - - mW
Sruth tairsí ITH 25 ℃ - 90 95 mA
Sruth oibriúcháin IOP CW - 270 320 mA
Voltas oibriúcháin VOP 25 ℃ - 1.1 2.0 V
Monatóireacht a dhéanamh ar Reatha IMON VRM=5V 50 - 1500 uA
MPD sruth dorcha ID VRM=5V - - 50 uA
Friotaíocht teirmeastar RTH 25 ℃ 9.5 10 10.5
B-luach teirmeastair β 25 ℃ / 80 ℃ - 3950 - K


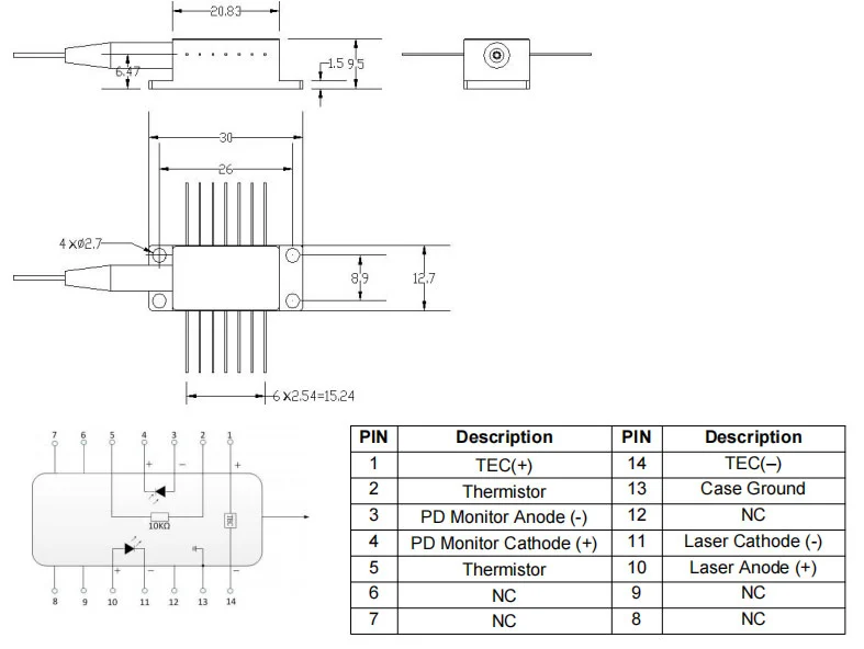
Líníocht pacáiste&Sainmhíniú PIN-Amach(Aonad:mm)

520nm Fp Fiber Coupled Diode Green Btf Laser


Seachadadh, Loingseoireacht agus Freastal

Tá tástáil déanta ar na táirgí go léir sula seoltar amach iad;

Tá bharántas 1-3 bliana ag na táirgí go léir. (Tar éis na tréimhse ráthaíochta cáilíochta thosaigh an táille seirbhíse cothabhála cuí a ghearradh.)

Táimid buíoch as do ghnó agus cuirimid polasaí fillte 7 lá ar fáil láithreach. (7 lá tar éis na míreanna a fháil);

Mura bhfuil na hearraí a cheannaíonn tú ónár siopa ar chaighdeán foirfe, is é sin nach n-oibríonn siad go leictreonach de réir sonraíochtaí an déantóra, níl le déanamh ach iad a sheoladh ar ais chugainn le haghaidh athsholáthair nó aisíocaíocht;

Má tá na míreanna lochtach, cuir in iúl dúinn laistigh de 3 lá tar éis an tseachadta;

Ní mór aon earra a thabhairt ar ais ina riocht bunaidh chun cáiliú d’aisíocaíocht nó d’athsholáthar;

Tá an ceannaitheoir freagrach as an gcostas loingseoireachta go léir a thabhaítear.


520nm Fp Fiber Coupled Diode Green Btf Laser


CCanna

C: Cad iad na snáithíní pigtail atá ar fáil?

A: SM-460HP nó PM-S460-HP snáithín.


C: An bhfuil aon léasair FP tonnfhad eile agat?

A: Tá, 488nm/ 520nm/ 532nm/ 660nm/ 850nm/ 1064nm... Déan teagmháil linn le do thoil le haghaidh tuilleadh sonraí.


Hot Tags: 520nm FP Fiber Coupled Diode Green BTF Laser, monaróirí, soláthraithe, mórdhíola, monarcha, saincheaptha, mórchóir, an tSín, déanta sa tSín, saor, praghas íseal, cáilíocht

Catagóir Gaolmhar

Seol Fiosrúchán

Ná bíodh drogall ort d’fhiosrúchán a thabhairt san fhoirm thíos. Tabharfaimid freagra duit i 24 uair an chloig.
X
Úsáidimid fianáin chun eispéireas brabhsála níos fearr a thairiscint duit, chun anailís a dhéanamh ar thrácht an tsuímh agus chun inneachar a phearsantú. Trí úsáid a bhaint as an suíomh seo, aontaíonn tú lenár n-úsáid a bhaint as fianáin. Beartas Príobháideachta
Diúltaigh Glac